
Get permit-ready plans approved fast, sealed by licensed Professional Engineers in all 50 U.S. states for complete compliance and trust.

From concept to construction, we craft functional, code-compliant, and visually stunning spaces that bring your vision to life.

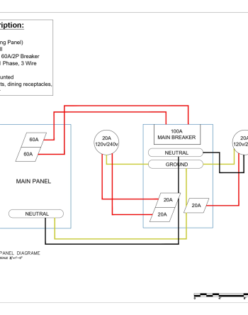
Comprehensive MEP designs that ensure safety, efficiency, and seamless integration across all mechanical, electrical, and plumbing systems.

Reliable civil and structural designs backed by precise calculations and state-specific codes for safe, durable construction.

Experience your project before it’s built with photorealistic 3D renders, walkthroughs, and immersive design presentations.

Advanced fire, solar, and low-voltage systems engineered to meet safety standards, sustainability goals, and modern building needs.
Oppa team was fantastic to work with. He followed my plan closely, responded promptly to all of my many questions, and handled every request and change with patience and precision. His attention to detail and clear communication made the entire process smooth and stress-free. If you’re considering hiring Oppa and his team, don’t hesitate. You’ll be in excellent hands.
Working alongside the Oppa team was a rewarding experience. He followed my guidance accurately, replied promptly to my questions, and handled every request with patience and professionalism. His sharp attention to detail and clear communication kept the process smooth and stress free. If you are planning to hire Oppa and his team, do not hesitate. You will be fully supported throughout.!
Working with the Oppa team was a great experience. He followed my direction accurately, replied promptly to all of my questions, and handled each request and revision with patience and care. His eye for detail and clear communication made the whole process smooth and stress-free. If you are thinking about hiring Oppa and his team, do not hesitate. You will be well supported throughout.!
We offer architectural drawings, MEP engineering, structural plans, civil site plans, solar engineering, fire protection design, 3D rendering, PlanSwift takeoff, and nationwide PE stamping for permit approval.
Yes — we support all project types, from small residential renovations to large commercial sites.
Yes. We provide valid Professional Engineer (PE) stamps in all 50 states, compliant with each state’s engineering board.
Absolutely — we regularly turn sketches and scanned plans into professional CAD drawings.
We can update drawings based on contractor feedback. Minor field updates are included in the package.
Yes — including Texas, Florida, California, New York, North Carolina, Georgia, Illinois, Arizona, Nevada, Washington, and all other states.
Payments are divided into clear, transparent milestones, such as:
1. Concept / Space planning
2. Full architectural & MEP layout
3. PE-stamped permit-ready package